[Tuto] - Fabrication d'un ESR METER

Questions génériques informatiques, vos tutoriaux ou vos astuces de restaurations ...

Modérateur : Membres WDA

Règles du forum
N'oubliez pas; Présentez-vous ...
(Règlement interne du forum WDA)
Avatar du membre
Krapoutchik
Contrôle WDA
Contrôle WDA
Messages : 1095
Enregistré le : 01 juil. 2009, 08:00
Collectionneur (-euse) ? : Oui
Localisation : Paris

[Tuto] - Fabrication d'un ESR METER

Message non lu par Krapoutchik »

Hello,

Pour compléter mes moyens d'investigations sur les pannes de nos vieux (et moins vieux) bousins je me suis lancé dans la fabrication d'un Esrmeter.
Pour faire court c'est un appareil qui permet de mesurer la résistance série d'un condensateur, ce paramètre est un bon marqueur de la qualité d'un condensateur chimique.
Vous n'avez certainement pas pu passer à travers les multiples discours sur l'obsolescence programmée.... et bla bla bla... :bullwhip:
Un fait avéré est que beaucoup de pannes sont causées par des condensateurs qui vieillissent à vitesse grand V dans toutes nos machines.
Grosso modo, dans les vieilles machines les condensateurs chimiques sèchent petit à petit (ils contiennent un liquide) et perdent leur capacité et/ou se mettent en court circuit.
Dans les machines plus récentes et plus particulièrement dans les alimentations à découpages les condensateurs vieillissent 10 à 20 fois plus vite que dans nos vieux bousins. Là où un condensateur perdait la majeure partie de ses qualités en 20 ou 30 ans, maintenant c'est en 1 an ou 2, parfois plus parfois moins ::twisted: .
Bon je n'ai pas fait de statistiques mais mon flair légendaire me dit que je ne suis pas loin de la vérité :mrgreen: .

Aller, au boulot... J'ai choisi un schéma que j'ai trouvé sur le site de radioman64, ce schéma permet de tester un condensateur sans avoir besoin de le dessouder, en effet la tension de test alternative - ~200 mV à 50 Khz - est tellement faible que les éventuelles diodes/transistors et circuits intégrés aux alentours ne parasitent pas la mesure.
Ah... en voilà un truc sympatoche :clap:
Évidemment ça n'a pas la prétention de rivaliser avec un appareil professionnel de 2 ou 3000 euros mais pour nos usages c'est largement suffisant.
On peut mesurer/estimer la résistance série d'un condensateur d'environ 20 milliohms à 20 ohms, oui vous avez bien lu, 20 milliohms c'est à dire 0,02 ohms et tout ça pour 5 à 10 euros :8: .

J'ai un peu adapté le schéma d'origine (merci les tests sur une breadboard ::wink: ) qui ne me donnait pas satisfaction, ci dessous le schéma modifié.
Si la galvanomètre n'arrive pas en fin de course il suffit d'augmenter le gain et de passer la résistance R8 à 47k.<br />Pour mesurer des résistances encore plus basse on peut mettre une 1 ohm à la place de R6.
Si la galvanomètre n'arrive pas en fin de course il suffit d'augmenter le gain et de passer la résistance R8 à 47k.
Pour mesurer des résistances encore plus basse on peut mettre une 1 ohm à la place de R6.
La consommation avec une pile de 9V est d'environ 5 mA à vide et 7 mA pendant les tests.
Le seul truc qui peut faire peur c'est qu'il faut fabriquer un petit transfo, en fait c'est super simple.
J'ai récupéré plusieurs transfos dans des lampes basses consommations, il y en a plein les bacs de récupération dans les magasins ::wink: .
Il suffit d'enlever le ruban adhésif qui protège l'enroulement, de débobiner environ 20 tours de fils, couper ce fils et le mettre de coté, l'enroulement restant sur le transfo devient le primaire, rembobiner dans le même sens qu'à l'origine les 20 tours de manière à former l'enroulement secondaire.
J'ai fait 2 transfos très différents en environ 1h et n'ai pas constaté de différence dans le fonctionnement.
Transfo en cours de fabrication...
Transfo en cours de fabrication...
L'idéal est un transfo à 4 pattes, 2 pour le primaire et 2 pour le secondaire.
L'idéal est un transfo à 4 pattes, 2 pour le primaire et 2 pour le secondaire.
C'est le bazar mais ça marche !!
C'est le bazar mais ça marche !!
Et hop, une vieille plaquette à trous des composants de récup, un vieux multimètre et c'est parti mon kiki ::lol: !
Esr-meter 1.JPG
L’étalonnage est très simple à faire.
Court-circuiter les sondes de mesures et ajuster la résistance ajustable R11 pour que l'aiguille du multimètre dévie à fond.
Il suffit de connecter différentes résistances au carbone de faible valeur puis de reporter la valeur sur le galvanomètre.
Il suffit d'acheter une dizaine de résistances de 1ohm et de les souder en série pour pouvoir réaliser l'échelle de 1 à 10 ohms.
Pour les valeurs inférieures à 1 ohm faire de même soit en achetant une dizaine de résistances de 0,1 ohms ou en mettant plusieurs résistances connues en //, par exemple 2 résistances de 1 ohm en // = 0,5 ohm, 10 résistances de 1 ohm en // = 0,1 ohm
Attention il faut acheter des résistances au carbone , des 1/4 ou des 1/8 de watt sont suffisantes, et éviter les résistances bobinées pour réduire des fausses mesures induites par l'effet inductif du bobinage.
Dans cette esprit il est impossible de mesurer la résistance d'un bobinage de 5 ou 6 spires bobiné sur un simple tore ferrite car l'impédance de celui ci dépasse les 20 ohms sous 50 Khz.

Ci dessous les valeurs que devrait avoir un condensateur en fonction de sa capacité.
esr_table.png
esr_table.png (66.91 Kio) Vu 79265 fois
Cette table comporte quelques incohérence mais dans l'ensemble c'est ça. Plus basse est la résistance, meilleur est le condensateur.
Je dirais que pour les fortes capacités > à 1000 µF la valeur normal se situe plus vers 0,05 ohms.
Au delà de 5 à 10 fois les valeurs de la table on peut considérer le condensateur comme fatigué et à changer.
Le mieux est de tester plein de condensateurs pour se rendre compte des différentes valeurs que l'on peut rencontrer.

Dernier truc, des multimètres à aiguilles qui vont bien on en trouve à 5 ou 10 euros en Chine, on peut aussi utiliser un numérique mais c'est beaucoup moins pratique.
Attention lors de la mesure d'un condensateur haute tension (filtrage du primaire d'une alimentation à découpage) , il est préférable de le décharger avant, en effet le montage est protégé jusque environ 50V (valeur du condensateur C3 mais on peut très bien mettre un 100 V par exemple) .
Dans ma bidouille, les sondes sont en 4/10 (fils jaunes), il est préférable d'avoir 2 fils du plus gros diamètre possible (~1mm²) pour minimiser les pertes et pouvoir ainsi mesurer plus facilement des valeurs très faibles, d'ailleurs j'attends une paire de sonde à 1.65 euros venant de Chine ::wink: .
Tektronix 454A, Atten ADS 1102CAL Powa !!
Born to bricole
[Rch] Vieux composants électroniques et circuits intégrés toute époque et vieilles cartes à microprocesseur
Ma petite collection...
Tutoriel pour insérer des photos...
Avatar du membre
Krapoutchik
Contrôle WDA
Contrôle WDA
Messages : 1095
Enregistré le : 01 juil. 2009, 08:00
Collectionneur (-euse) ? : Oui
Localisation : Paris

Re: [Tuto] - Fabrication d'un ESR METER

Message non lu par Krapoutchik »

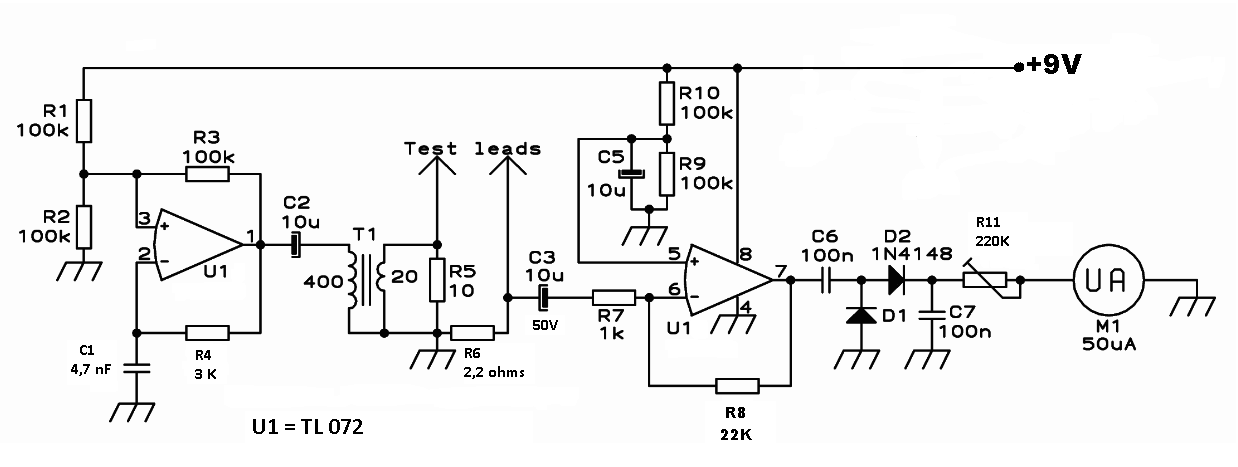
Le fonctionnement est relativement simple :
R1, R2, R3, R4, C1 et la première partie de U1 forment un oscillateur d'environ 50Khz et d'une amplitude d'environ 4V. En diminuant C1 on augmente la fréquence
Le signal est transmis par l'intermédiaire de C2 jusqu'au transformateur qui va abaisser la tension d'un facteur de 20.
Le secondaire du transfo va donc générer un signal de 200 mV, R5 sert de charge pour stabiliser et éviter une trop grande fluctuation du signal.
On arrive au truc intéressant :D.
Le condensateur en test et la résistance R6 forment un diviseur de tension dont on recueille une partie de la tension alternative aux bornes de R6. Le signal est transmis par l'intermédiaire de C3 qui sert aussi à couper toute composante continue en provenance du condensateur en test qui peut être chargé.
Le signal est amplifiée par la 2eme partie de U1 dont le gain est réglé par R8/R7 (22/1 = gain de 22). En augmentant R8 on augmente le gain et donc la tension de sortie
L'ensemble R10, R9 et C5 permettent de fixer le point de fonctionnement de la sortie 7 de U1 à la moitié de la tension d'alimentation (4,5v).
Le signal amplifié est transmis par C6 qui supprime la composante continue et ne transmet que la partie alternative, le signal est redressé par D1, D2 et filtré par C7. L'ajustable R11 sert à régler la tension appliquée au galvanomètre.
Tektronix 454A, Atten ADS 1102CAL Powa !!
Born to bricole
[Rch] Vieux composants électroniques et circuits intégrés toute époque et vieilles cartes à microprocesseur
Ma petite collection...
Tutoriel pour insérer des photos...
Avatar du membre
Krapoutchik
Contrôle WDA
Contrôle WDA
Messages : 1095
Enregistré le : 01 juil. 2009, 08:00
Collectionneur (-euse) ? : Oui
Localisation : Paris

Re: [Tuto] - Fabrication d'un ESR METER

Message non lu par Krapoutchik »

Plutôt que pourrir mon voltmètre et inscrire directement sur le cadran l'étalonnage des valeurs ,j'ai pris une photo et l'ai modifié ::wink: .
Petit truc intéressant, l'échelle est quasiment linéraire jusque 0,5 ohms et commence petit à petit à se tasser quand la résistance augmente.
multimetreetalonné.JPG
Tektronix 454A, Atten ADS 1102CAL Powa !!
Born to bricole
[Rch] Vieux composants électroniques et circuits intégrés toute époque et vieilles cartes à microprocesseur
Ma petite collection...
Tutoriel pour insérer des photos...
Avatar du membre
paralabamba
Messages : 4
Enregistré le : 26 mars 2018, 16:21
Collectionneur (-euse) ? : Non

Re: [Tuto] - Fabrication d'un ESR METER

Message non lu par paralabamba »

ESR mètre.JPG
Et voilà mon ESR-mètre, adapté du schéma de ce tutoriel. C'est un vieux multimètre en bakélite des années 50.
ça marche plutôt très bien pour les dépannages !
Les cordons sont ceux de mon vieux multimètre Métrix qui a fini par rendre définitivement l'âme (snif)
Le potard permet de régler le zéro (presque 0.1Ohms en plus avec les cordons)
Le Bouton poussoir sert à shunter le circuit mais au final il ne sert à rien parce que je le calibre avec les cordons, ça permet juste de vérifier "à vide" que tout fonctionne.
Pour le "fond d'écran" j'ai calibré avec des résistances de 1 Ohm en série/parallèle comme décrit plus haut, je l'ai démonté, scanné, et j'ai dessiné un truc sur inskcape que j'ai imprimé et collé par dessus.

Voilà, merci pour ce montage très efficace pour tester les condos de manière simple et pratique !
Avatar du membre
Krapoutchik
Contrôle WDA
Contrôle WDA
Messages : 1095
Enregistré le : 01 juil. 2009, 08:00
Collectionneur (-euse) ? : Oui
Localisation : Paris

Re: [Tuto] - Fabrication d'un ESR METER

Message non lu par Krapoutchik »

Wouahhhhhhhhhhh !

C'est tout simplement incroyable :eeeek: , on a vraiment l'impression d'un matériel professionnel.

C'est vraiment une réussite totale :clap: :clap: :respect: .

Je vois même que tu as été même jusqu'à refaire le cadran, un grand Bravo !!!

Par contre j'ai une interrogation. Je vois que ton échelle commence à 0,1 ohms, quelle est la valeur de R6 ?
Tektronix 454A, Atten ADS 1102CAL Powa !!
Born to bricole
[Rch] Vieux composants électroniques et circuits intégrés toute époque et vieilles cartes à microprocesseur
Ma petite collection...
Tutoriel pour insérer des photos...
Avatar du membre
paralabamba
Messages : 4
Enregistré le : 26 mars 2018, 16:21
Collectionneur (-euse) ? : Non

Re: [Tuto] - Fabrication d'un ESR METER

Message non lu par paralabamba »

R6 = 2.2 Ohms comme sur le schéma, après c'est mon (antique) aiguille qui est pas très précise je pense.
Au niveau du potard de sortie (de récup) j'ai du pas mal modifier les valeurs. Après j'avoue que je me suis surtout appuyé sur vos recherches (encore merci !), je me suis contenté de monter le tout sur breadboard et de faire des essais jusqu'à ce que ça donne quelque chose d'utilisable, et après de souder le tout sur une plaque à trous.
Mais ça reste difficile de faire fonctionner avec précision un truc aussi âgé, si c'était à refaire je gagnerais en précision avec un afficheur à aiguille plus récent plus précis...et plus solide.
Après comme ça fait très bien le boulot j'ai pas pinaillé je suis parti sur le look rétro :D (y'a même une vitre en verre faudra pas le faire tomber)
Avatar du membre
Radioman33
Messages : 1
Enregistré le : 28 mai 2019, 17:06
Collectionneur (-euse) ? : Oui

Re: [Tuto] - Fabrication d'un ESR METER

Message non lu par Radioman33 »

bjr,
bravo pour ce tuto d'une réalisation que j'avais faite il y a quelques années du temps où mon site étais encore "radioman64".
Ayant depuis déménagé dans le département de la Gironde il est devenu en toute logique radioman33...
Pour en revenir au montage de ce resteur ESR je l'utilise toujours, et il est d'une redoutable efficacité pour rechercher les condensateurs défectueux sur une carte d'alimentation et cela sans rien dessouder:
plutot qu'un long discours la vidéo de l'époque donne une idée des possibilités
https://youtu.be/YiUSEInKuyc
par contre il sera prudent d'y rajouter une protection sur les bornes d'entrée
index.png
index.png (31.56 Kio) Vu 69754 fois
cdlt
domi
Avatar du membre
Hervé-P
Posteur habitué
Posteur habitué
Messages : 22
Enregistré le : 30 juil. 2019, 09:18
Collectionneur (-euse) ? : Oui
Localisation : Sainte-Marie (Île de la Réunion)

Re: [Tuto] - Fabrication d'un ESR METER

Message non lu par Hervé-P »

— Bonjour.
— Concernant la fabrication d'un ESR-Meter, je suis parti sur une autre piste : 5 transistors, en tout et pour tout ! J'étais tombé sur ce site anglophone, traduit avec “S3-Traducteur” :
Remarquez l'adresse dudit site dans la barre d'adresse du navigateur !
Remarquez l'adresse dudit site dans la barre d'adresse du navigateur !
— Du coup, il m'a paru évident que je me devais de le réaliser, car des condensateurs douteux, j'en ai plein les tiroirs ! J'avais aussi récupéré un galvanomètre 100µA qui m'a paru adapté pour cette réalisation. Voici d'ailleurs le “circuit imprimé” de cette réalisation :
Un  morceau de vieux circuit imprimé supportant un processeur, il n'en faut pas plus pour câbler cet ESR-Meter avec du fil de transfo autosoudable !
Un morceau de vieux circuit imprimé supportant un processeur, il n'en faut pas plus pour câbler cet ESR-Meter avec du fil de transfo autosoudable !
— Le voici, “habitant” un vieux boîtier de “flexettes” Apple et testant un condensateur sur une carte imprimée :
Test sur batteries internes : 2 batteries Li-Ion d'ordinateur portable !
Test sur batteries internes : 2 batteries Li-Ion d'ordinateur portable !
— Dans le même boîtier, j'y ai logé aussi un générateur de courant constant réglable pour charger des batteries, couplé avec un triple “liposave” pour charger des accus Li-Ion :
Tout en chargeant 3 accus Li-Ion, je teste un condensateur en ayant auparavant commuté le galva sur “Testeur ESR” après avoir réglé le courant de charge des batteries !
Tout en chargeant 3 accus Li-Ion, je teste un condensateur en ayant auparavant commuté le galva sur “Testeur ESR” après avoir réglé le courant de charge des batteries !
— Ici, pour charger les batteries, il est branché à une alimentation 18V régulée.
— @ + pour la description éventuelle d'un banc de tests complet dont “Radioman33” a eu la primeur de le faire paraître sur son site !
— Cordialement.
Ordi fixe : AsRock 970M-Pro3, AMD-FX 6 cœurs, 16 Go mémoire vive.
Systèmes : Windows 7, 8.1, 10, Linux sur DD commutables.
Vocation bureautique/musique/dessins/émulateurs/électronique…
Sasfépu : synthé GEM WS2-II et Wii achetée chez Emmaüs !
Avatar du membre
jacounet86
Messages : 8
Enregistré le : 25 nov. 2025, 12:15
Collectionneur (-euse) ? : Non

ESR mètre pour super condensateurs de 1 à 3400 Farads

Message non lu par jacounet86 »

Bonjour.
J'ai utilisé les plans fournis par Radioman (33 ou 64) sur ce site pour faire un ESR mètre .
Tel que fait par Radioman, il convient pour des ESR jusqu'à 10 milli Ohms minimum .( capas de 0.1F à à 100 F)
En le modifiant , baisse de la fréquence à 2400 Hz ,et une seule spire en 2.5 mm² , j'arrive à mesurer jusqu'à 30 micro Ohms d'ESR , dans sa première version prototype sur véroboard .
L'ESR d'un 3000 Farads/ 3 Volts est donné pour 150µ Ohms .
Dans sa deuxième version prévue sur circuit imprimé je vais mettre un MOSFET pour driver le primaire du transfo ferrite, et mettre une mono spire en 10 mm de diamètre soit plus de 75 mm², le but descendre encore l'impédance de sortie sur la mono spire .
J'ai testé sous SPICE le proto 2 , il fonctionne ...reste à vérifier dans la vraie vie ...!
J'ai étalonné mon premier prototype en utilisant 20 résistances 1 milli Ohms à 1% , en série et parallèle soit de 20milli Ohms à 50 micro Ohms .
je lis sur un voltmètre en alternatif TRMS en sortie du deuxième AOP , 1164 mV pour un ESR de 4 milli Ohm , et 261 mV pour un ESR de 200 µ Ohms .( pas de pont redresseur).
La fonction de transfert ( trouvée ) répond pour ce proto , à la formule => r (en µOhms)=4000/(1164/valeur TRMS lue)²
Chacun pourra trouver la formule de son proto sur cette base ( type P=U²/r) , en l'étalonnant , on lit l'ESR à moins de 5% .
Si quelqu'un est intéressé par ce montage , je fournirais , schéma , et photocopie du typon de circuit imprimé .
Prévoir des câbles courts de mesure 8cm et de forte section 300mm² (20mm de diamètre) en cuivre et des contacts nettoyés/brossés à chaque mesure ...pour les gros 3000 et 3400 Farads qui sont avec vis et écrous .
Complément=> j'utilise ces super condensateurs pour faire de la soudure sur tôle aluminium de 2x2 mm ( ça fonctionne) , j'utilise une temporisation programmée sur un Arduino nano commandant 48 MOSFEt 320A en // ... premier proto en 2019.
Modifié en dernier par jacounet86 le 02 déc. 2025, 18:38, modifié 6 fois.
Avatar du membre
jacounet86
Messages : 8
Enregistré le : 25 nov. 2025, 12:15
Collectionneur (-euse) ? : Non

ESR mètre pour super condensateurs de 1 à 3400 Farads

Message non lu par jacounet86 »

ESR mètre pour super condensateurs
ESR mètre pour super condensateurs
ESR mètre avec MOSFET.jpg (136.81 Kio) Vu 29861 fois
Bonjour .
Voici le schéma modifié de l'ESR mètre qu'a proposé Radioman ( 33 et 64) et d'autres.
Il a été testé ci dessus sous le SPICE de Isis .
Mon proto n°1 a 250 spires primaires , pas de MOSFET , une spire 2.5 mm² , pas de résistance série de sortie , lecture directe de la tension sinus (TRMS) , j'arrive à lire jusqu'à 50 µ Ohms ( 20 résistances 1 m Ohm 1 % en //)
Le secondaire est évalué du proto 2 à 6 nano Henry pour les besoins du test Spice . ( il devrait être en réel à 30milli Henry-primaire-/(250spire²)=480 nano Henry)
Il y-a comme modification :
-la baisse à 250spires du primaire=>L= 40 milli Henry.
-l'ajout d'un MOSFET (50V/10A courant) avant d'attaquer le primaire.
-la sortie sur une seule spire en 2.5mm² ( proto 1 , sera poussé à 75 mm² sur proto 2 ).
-la lecture de la tension sur un voltmètre/milli voltmètre alternatif ( TRMS de préférence).
Je mettrais le circuit imprimé que j'ai tiré sur ARES ,quand j'aurais vérifié le bon fonctionnement , ..sur le futur proto N° 2 .
Amicalement .
Jacques ..
Modifié en dernier par jacounet86 le 31 déc. 2025, 11:43, modifié 4 fois.
Avatar du membre
Krapoutchik
Contrôle WDA
Contrôle WDA
Messages : 1095
Enregistré le : 01 juil. 2009, 08:00
Collectionneur (-euse) ? : Oui
Localisation : Paris

ESR mètre pour super condensateurs de 1 à 3400 Farads

Message non lu par Krapoutchik »

Tu pousses vraiment le montage à sa dernière extrémité :eeeek: .
Prochaine étape la mesure à 4 fils en multipliant 50 le nombre de composants :mrgreen: !
Tektronix 454A, Atten ADS 1102CAL Powa !!
Born to bricole
[Rch] Vieux composants électroniques et circuits intégrés toute époque et vieilles cartes à microprocesseur
Ma petite collection...
Tutoriel pour insérer des photos...
Avatar du membre
jacounet86
Messages : 8
Enregistré le : 25 nov. 2025, 12:15
Collectionneur (-euse) ? : Non

Re: [Tuto] - Fabrication d'un ESR METER

Message non lu par jacounet86 »

Salut à tous .
C'est la nécessité ( on dit aussi " l'occasion qui fait le laron")...de mesurer un ESR faible qui m'a poussé à faire ce montage .
A noter quand même qu'à ce montage , j'ai rajouté 2 selfs bobinées en série sur l'alimentation avec une capa 47 000 µf en // alim , pour éviter les retours de signaux sur le dernier ampli op (OP37) , car j'ai un gain de 85 sur celui-ci ...et on avait des retours de 5 mV sur les alims multiplié par 85 = 425 mV , et ça met un peu le souk pour faire une mesure exacte .
Y-a pas de valeur pour ces selfs , avoisiner le milli Henry est suffisant ( une cinquantaine de tour de fil cuivre 0.4 mm de diamètre bobiné sur une 1 Ohm a été suffisant ).
J'ai un potentiomètre pour la fréquence sur le 1er OP 37 , et un potentiomètre pour le gain pour le deuxième OP37 ( rappel OP 37=> Bp=13 MHz , ici avec un gain de 85 , on peut passer un signal de 150kHz sinus , et moins de 10kHz en carré ).
Faire un mesureur 4 fils me parait impossible , vu qu'en 2 fils j'ai déjà des sorties cuivre en 300 mm² de prévu ...et ça fonctionne .
Tel que prévu je devrais mesurer les 150µ Ohms d'ESR , section fils obligée ,et contacts très très propres .
Sur mon proto 1 , j'essayerais avec des fils souples cuivre 16 mm² , après avoir étalonné avec cette section fils ...je m'attends à une baisse drastique de la tension lue ...
J'ai reçu des plaques de cuivre pur en 6 mmx50mm doublée ( 550 g de cuivre) pour le proto 2 , soit 600 mm² cuivre en sortie du ESR mètre avant les câbles .
J'ai l'habitude des grosses sections avec ma soudeuse par point de tôles alu 2x2 mm , elle a fonctionné ...elle est en phase 5 d'up grade ...donc encore en chantier .
J'ai du boulot pour 20 ans ...j'ai 75 ans ...si je vis aussi vieux que mes parents ça devrait le faire...! :mrgreen:
Amicalement .
Jacques .
Modifié en dernier par jacounet86 le 31 déc. 2025, 11:44, modifié 1 fois.
Avatar du membre
jacounet86
Messages : 8
Enregistré le : 25 nov. 2025, 12:15
Collectionneur (-euse) ? : Non

Re: [Tuto] - Fabrication d'un ESR METER

Message non lu par jacounet86 »

IMG_3738.JPG
IMG_3738.JPG (535.12 Kio) Vu 29664 fois
Salut à tous .
Etant sorti de l'hôpital il y-a un mois , et ayant encore un mois de convalescence , je reste au chaud pour l'instant et je n'ai pas la force d'aller dans l'atelier faire mon circuit imprimé .
Cependant j'ai pu faire le circuit imprimé sur ARES , sur mon PC .
Je vous le mets pour info..car non vérifié en réel , normalement ça devrait être bon , ça tourne sous SPICE .
J'ai fais une photo d'écran car ma version n'a pas la possibilité de transfert sous PDF ou JPEG , et les fichiers ARES ne tournent sur aucun forum .
Ce circuit est perfectible niveau encombrement/placement ...mais c'est pas fait pour être industrialisé ...! :D
Amicalement .
Jacques .
Avatar du membre
Krapoutchik
Contrôle WDA
Contrôle WDA
Messages : 1095
Enregistré le : 01 juil. 2009, 08:00
Collectionneur (-euse) ? : Oui
Localisation : Paris

Re: [Tuto] - Fabrication d'un ESR METER

Message non lu par Krapoutchik »

Si je peux me permettre, la partie après le petit transfo n'est pas très claire, par exemple on peut supposer que R5 est connectée sur J5 mais celle ci n'apparait pas sur le typon, de la même manière On peut supposer que C1 est connecté à l'endroit où il y a marqué C1 mais cela peut prêter à confusion ::( .
Tektronix 454A, Atten ADS 1102CAL Powa !!
Born to bricole
[Rch] Vieux composants électroniques et circuits intégrés toute époque et vieilles cartes à microprocesseur
Ma petite collection...
Tutoriel pour insérer des photos...
Avatar du membre
jacounet86
Messages : 8
Enregistré le : 25 nov. 2025, 12:15
Collectionneur (-euse) ? : Non

Re: [Tuto] - Fabrication d'un ESR METER

Message non lu par jacounet86 »

Salut.
Oui bien vu .
R5 inutile , mise uniquement pour la simulation .
C1 en // sur le primaire les deux gros plots au dessus des 2 très gros plots pour le secondaire .
Je referais le typon en plus clair ... :P
Cordialement .
Jacques

Qui est en ligne

Utilisateurs parcourant ce forum : ClaudeBot [Bot] et 2 invités