— Bonjour.
— Sur un autre fil, j'avais parlé d'un circuit testeur de Zéners. Mais ce testeur fait partie d'un banc de tests que tout récupérateur de composants électroniques devrait posséder pour avoir une idée de ce qu'il récupère ! Voici donc le banc de tests en question, monté dans deux boîtiers de “flexettes” Apple, modifiés pour l'occasion :
— Voici donc les boîtiers de “flexettes” et leur modification :
— Une fois ceci fait, je perçai la partie bleue d'un très gros trou pour y monter un galvanomètre 100µA récupéré “on ne sait où”, tout ça pour y inclure le générateur de courant constant réglable et le testeur ESR :
— Ensuite, je m'occupai du générateur de courant constant :
— Voilà une première “mise en bouche” : je publierai le reste plus tard !
— Cordialement !
[Réalisation] - Un banc de tests de composants…
Modérateur : Membres WDA
- Hervé-P
- Posteur habitué

- Messages : 22
- Enregistré le : 30 juil. 2019, 09:18
- Collectionneur (-euse) ? : Oui
- Localisation : Sainte-Marie (Île de la Réunion)
[Réalisation] - Un banc de tests de composants…
Ordi fixe : AsRock 970M-Pro3, AMD-FX 6 cœurs, 16 Go mémoire vive.
Systèmes : Windows 7, 8.1, 10, Linux sur DD commutables.
Vocation bureautique/musique/dessins/émulateurs/électronique…
Sasfépu : synthé GEM WS2-II et Wii achetée chez Emmaüs !
Systèmes : Windows 7, 8.1, 10, Linux sur DD commutables.
Vocation bureautique/musique/dessins/émulateurs/électronique…
Sasfépu : synthé GEM WS2-II et Wii achetée chez Emmaüs !
- Hervé-P
- Posteur habitué

- Messages : 22
- Enregistré le : 30 juil. 2019, 09:18
- Collectionneur (-euse) ? : Oui
- Localisation : Sainte-Marie (Île de la Réunion)
Re: [Réalisation] - Un banc de tests de composants…
— Continuons donc la description de ce banc de tests…
— Dans le même module, après avoir inclus le générateur de courant constant réglable, j'ai voulu utiliser le galvanomètre 100µA pour autre chose : un testeur d'ESR (Equivalent Resistance Serie) pour tester des condensateurs électrochimiques. Après quelques recherches, je suis tombé sur ce forum anglophone :
http://www.eevblog.com/forum/projects/5 ... er-design/
— qui, aussitôt “dégaîné” mon traducteur, s'est révélé une vraie mine d'or : — Sitôt dit, sitôt relevé le schéma, j'avisai une petite platine ayant support un microprosseur d'imprimante et le montai dessus : — Après essais, sur l'allimentation 5V low-drop, il fonctionne “nickel” ! Bien sûr, j'avais monté un inverseur pour le galvanomètre afin de pouvoir le commuter entre la charge batteries et les tests ESR !
— Le total est monté dans le boîtier de “flexettes” !
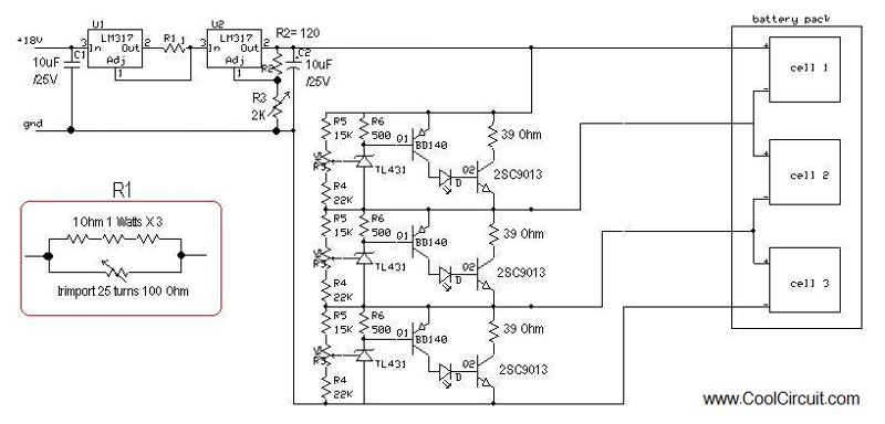
— Et maintenant, la charge de batteries Li-Ion de récup' d'ordinateurs portables… Ce genre de batteries, il faut faire gaffe ! Ils ne supportent pas une tension de charge de plus de :
* 4,1V pour les packs 10,8V (3 batteries en série - dont les batteries Li-Po d'ordinateurs Apple),
* 4,2V pour le spacks 11,1V.
— Pour les reconnaître, c'est simple : une fois le pack extrait de l'ordi portable, “c'est comme le Port Salut, c'est écrit dessus” !
— Il y a plusieurs techniques pour recharger ces accus. Pour ma part, j'ai utilisé la technique”liposave” : une diode Zéner de puissance, branchée en parallèle sur l'accu et draînant la tension en trop par rapport au réglage ! Mais voyons comment…
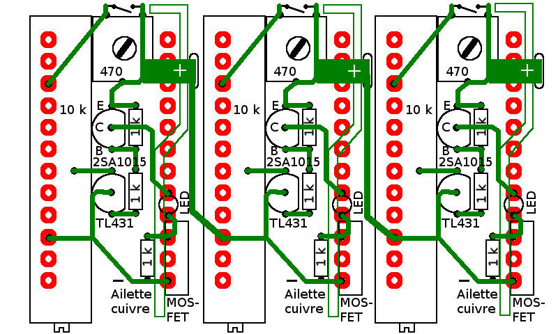
— “Fouinant” sur le Net, je tombai sur ce petit schéma : , puis sur celui-là : — Et ensuite, sur celui-là : — Exactement ce qu'il me fallait ! Mais, ayant entretemps récupéré des transistors MOS-FETs sur d'anciennes cartes-mères d'ordinateurs en panne, je l'ai modifié ainsi : — Et, comme à mon habitude, dessin d'un PCB (avec T.C.I) et câblage sur un bout de platine imprimée avec du fil de cuivre autosoudable, en ayant enlevé toutes les pistes et ne gardé que les trous métallisés : — Prochaine étape : le bac à batteries.
…/…
— Dans le même module, après avoir inclus le générateur de courant constant réglable, j'ai voulu utiliser le galvanomètre 100µA pour autre chose : un testeur d'ESR (Equivalent Resistance Serie) pour tester des condensateurs électrochimiques. Après quelques recherches, je suis tombé sur ce forum anglophone :
http://www.eevblog.com/forum/projects/5 ... er-design/
— qui, aussitôt “dégaîné” mon traducteur, s'est révélé une vraie mine d'or : — Sitôt dit, sitôt relevé le schéma, j'avisai une petite platine ayant support un microprosseur d'imprimante et le montai dessus : — Après essais, sur l'allimentation 5V low-drop, il fonctionne “nickel” ! Bien sûr, j'avais monté un inverseur pour le galvanomètre afin de pouvoir le commuter entre la charge batteries et les tests ESR !
— Le total est monté dans le boîtier de “flexettes” !
— Et maintenant, la charge de batteries Li-Ion de récup' d'ordinateurs portables… Ce genre de batteries, il faut faire gaffe ! Ils ne supportent pas une tension de charge de plus de :
* 4,1V pour les packs 10,8V (3 batteries en série - dont les batteries Li-Po d'ordinateurs Apple),
* 4,2V pour le spacks 11,1V.
— Pour les reconnaître, c'est simple : une fois le pack extrait de l'ordi portable, “c'est comme le Port Salut, c'est écrit dessus” !
— Il y a plusieurs techniques pour recharger ces accus. Pour ma part, j'ai utilisé la technique”liposave” : une diode Zéner de puissance, branchée en parallèle sur l'accu et draînant la tension en trop par rapport au réglage ! Mais voyons comment…
— “Fouinant” sur le Net, je tombai sur ce petit schéma : , puis sur celui-là : — Et ensuite, sur celui-là : — Exactement ce qu'il me fallait ! Mais, ayant entretemps récupéré des transistors MOS-FETs sur d'anciennes cartes-mères d'ordinateurs en panne, je l'ai modifié ainsi : — Et, comme à mon habitude, dessin d'un PCB (avec T.C.I) et câblage sur un bout de platine imprimée avec du fil de cuivre autosoudable, en ayant enlevé toutes les pistes et ne gardé que les trous métallisés : — Prochaine étape : le bac à batteries.
…/…
Modifié en dernier par Hervé-P le 30 sept. 2019, 09:20, modifié 1 fois.
Ordi fixe : AsRock 970M-Pro3, AMD-FX 6 cœurs, 16 Go mémoire vive.
Systèmes : Windows 7, 8.1, 10, Linux sur DD commutables.
Vocation bureautique/musique/dessins/émulateurs/électronique…
Sasfépu : synthé GEM WS2-II et Wii achetée chez Emmaüs !
Systèmes : Windows 7, 8.1, 10, Linux sur DD commutables.
Vocation bureautique/musique/dessins/émulateurs/électronique…
Sasfépu : synthé GEM WS2-II et Wii achetée chez Emmaüs !
- Hervé-P
- Posteur habitué

- Messages : 22
- Enregistré le : 30 juil. 2019, 09:18
- Collectionneur (-euse) ? : Oui
- Localisation : Sainte-Marie (Île de la Réunion)
Re: [Réalisation] - Un banc de tests de composants…
— Continuons donc cet intéressant exposé…
— Donc, pour charger les accus 18650, il me fallait un bac pouvant les accueillir… Hors de question d'utiliser les bacs de piles AA/AAA : trop petits ! Alors, passons par la case “modifications” !
— J'avais aussi récupéré des bouchons de baies 5,25" de faces avant de PCs et je suis tombé sur ce qu'il me fallait : — Montage dans un boîtier de cassettes “Betamax” que j'avais “rétréci” pour autre chose et qui s'est révélé exactement ce qu'il me fallait : — Essais avec une ancienne version de mon générateur de courant réglable : — Voici le module chargeur de batteries/testeur ESR monté dans le boitier de “flexettes” et en pleine action : — Premier module terminé ! Et maintenant, le module “testeur en tous genres” !
— Ici, ce module recevra :
* deux testeurs de composants chinois ohmmètre/capacimètre/selfmètre/testeur de transistors bipolaires/J-FETs/MOS-FETs…
* un testeur de diodes Zéners et de LEDs,
* un module milliohmmètre, pour la mesure de très faibles résistances.
— Toujours monté dans un deuxième boîtier de “flexettes” Apple ! Je pense que ces 4 modules répondront à la majorité des demandes de tests de l'amateur électronicien ! Déjà, pour le module “tests ESR”, j'avais monté deux batteries 18650 dans le fond du boîtier et équipé d'une prise de charge… Donc, j'ai fait de même pour ce module : — À noter ici l'utilisation de la prise de charge pour charger les batteries internes ! — Alors, on “attaque” ! Découpe et montage des deux modules chinois, avec leur alimentation “buck-boost” tirée du fameux 34063 : , alimentation tirée de ces deux modules Sony : — Le schéma du module Sony et de la modification : — Le schéma du module testeur de Zéners : — Le schéma du module “milliohmmètre” : — Sa réalisation sur un bout de platine à trous métallisés : — Et le montage de tout ça dans la partie noire du boîtier de “flexettes” : — Un détail du module encore ouvert : — Et le module complet, testant un MOS-FET, une self, une Zéner de 27V et une résistance de 0,33 ohms, tout ça en même temps et sur batteries : — Enjoy !
— Si vous voulez le réaliser, “à vos fers à souder, rompez” !
— Donc, pour charger les accus 18650, il me fallait un bac pouvant les accueillir… Hors de question d'utiliser les bacs de piles AA/AAA : trop petits ! Alors, passons par la case “modifications” !
— J'avais aussi récupéré des bouchons de baies 5,25" de faces avant de PCs et je suis tombé sur ce qu'il me fallait : — Montage dans un boîtier de cassettes “Betamax” que j'avais “rétréci” pour autre chose et qui s'est révélé exactement ce qu'il me fallait : — Essais avec une ancienne version de mon générateur de courant réglable : — Voici le module chargeur de batteries/testeur ESR monté dans le boitier de “flexettes” et en pleine action : — Premier module terminé ! Et maintenant, le module “testeur en tous genres” !
— Ici, ce module recevra :
* deux testeurs de composants chinois ohmmètre/capacimètre/selfmètre/testeur de transistors bipolaires/J-FETs/MOS-FETs…
* un testeur de diodes Zéners et de LEDs,
* un module milliohmmètre, pour la mesure de très faibles résistances.
— Toujours monté dans un deuxième boîtier de “flexettes” Apple ! Je pense que ces 4 modules répondront à la majorité des demandes de tests de l'amateur électronicien ! Déjà, pour le module “tests ESR”, j'avais monté deux batteries 18650 dans le fond du boîtier et équipé d'une prise de charge… Donc, j'ai fait de même pour ce module : — À noter ici l'utilisation de la prise de charge pour charger les batteries internes ! — Alors, on “attaque” ! Découpe et montage des deux modules chinois, avec leur alimentation “buck-boost” tirée du fameux 34063 : , alimentation tirée de ces deux modules Sony : — Le schéma du module Sony et de la modification : — Le schéma du module testeur de Zéners : — Le schéma du module “milliohmmètre” : — Sa réalisation sur un bout de platine à trous métallisés : — Et le montage de tout ça dans la partie noire du boîtier de “flexettes” : — Un détail du module encore ouvert : — Et le module complet, testant un MOS-FET, une self, une Zéner de 27V et une résistance de 0,33 ohms, tout ça en même temps et sur batteries : — Enjoy !
— Si vous voulez le réaliser, “à vos fers à souder, rompez” !
Ordi fixe : AsRock 970M-Pro3, AMD-FX 6 cœurs, 16 Go mémoire vive.
Systèmes : Windows 7, 8.1, 10, Linux sur DD commutables.
Vocation bureautique/musique/dessins/émulateurs/électronique…
Sasfépu : synthé GEM WS2-II et Wii achetée chez Emmaüs !
Systèmes : Windows 7, 8.1, 10, Linux sur DD commutables.
Vocation bureautique/musique/dessins/émulateurs/électronique…
Sasfépu : synthé GEM WS2-II et Wii achetée chez Emmaüs !
Qui est en ligne
Utilisateurs parcourant ce forum : ClaudeBot [Bot] et 1 invité