[Résolu] [Qst]- Réparation d'une alim Dreamcast japonaise

L'âge d'or du jeu vidéo : Des ordis aux arcades mythiques & premières consoles et jeux.

Modérateur : Membres WDA

Règles du forum
N'oubliez pas; Présentez-vous ...
(Règlement interne du forum WDA)
Avatar du membre
Nodoka75

[Résolu] [Qst]- Réparation d'une alim Dreamcast japonaise

Message non lu par Nodoka75 »

Ayant récupéré une Dreamcast japonaise HS (c'est volontaire, hein :mrgreen: ), le condensateur s'est pris pour le Vésuve, comme ce smiley :blowup:

Sur les Dreamcasts les alims sont interchangeables. J'ai donc procédé à une transplantation de l'alim de ma Dreamcast européenne dans la japonaise pour la tester, et ainsi équipée elle se porte comme un charme :heart:

Je m'attèle donc à réparer cette alim :think:
Le fusible est OK. Manifestement tout est propre, pas de trace de composant grillé. Hormis le remplacement du condensateur (déjà retiré sur les photos), que faut-il vérifier sur cette alim à découpage pour qu'elle assure à nouveau son office?
PICT0281.JPG
PICT0274.JPG
PICT0275.JPG
PICT0276.JPG
PICT0277.JPG
Modifié en dernier par Nodoka75 le 10 avr. 2014, 18:35, modifié 4 fois.
Avatar du membre
Krapoutchik
Contrôle WDA
Contrôle WDA
Messages : 1099
Enregistré le : 01 juil. 2009, 08:00
Collectionneur (-euse) ? : Oui
Localisation : Paris

Re: [Qst] - Réparation d'une alim Dreamcast japonaise

Message non lu par Krapoutchik »

Ah .... ça fait plaisir de voir de belles photos :D .

Effectivement ton condo est bien malade...
Si le fusible n'a pas sauté c'est déjà bon signe mais il faut que tu vérifies le petit pont de diode (le carré noir sous l'emplacement du condensateur fautif).

Cependant cette alimentation est japonaise et s'alimente en 100V et la valeur du condensateur le prouve (200 V 100µF) donc elle n'est pas bi-tension. Pour la tester après avoir changé le condensateur il te faudra un transformateur externe 110/220.
Tektronix 454A, Atten ADS 1102CAL Powa !!
Born to bricole
[Rch] Vieux composants électroniques et circuits intégrés toute époque et vieilles cartes à microprocesseur
Ma petite collection...
Tutoriel pour insérer des photos...
Avatar du membre
Nodoka75

Re: [Qst] Réparation d'une alim Dreamcast japonaise

Message non lu par Nodoka75 »

Merci :mrgreen: C'est vital pour un diagnostic à distance, je vois de ces trucs sur d'autres forums... :censored:

Je me disais bien que ça devait être un pont de diodes ^^ Je vais le tester :pray:

J'ai un transfo step down de 45W, sera-t-il suffisant? Peut-être à vide... :think:
Transformateur step down 45w.
Transformateur step down 45w.
EDIT: Pour info le condensateur en question est un Nippon Chemi Con série KMG de 100µF/200V.
Modifié en dernier par Casio le 05 janv. 2014, 15:09, modifié 2 fois.
Raison : Modif. par Casio : Insertion du cliché en relation.
Avatar du membre
Krapoutchik
Contrôle WDA
Contrôle WDA
Messages : 1099
Enregistré le : 01 juil. 2009, 08:00
Collectionneur (-euse) ? : Oui
Localisation : Paris

Re: [Qst] - Réparation d'une alim Dreamcast japonaise

Message non lu par Krapoutchik »

Pour le temps des tests ça devrait suffire mais je n'ai aucune idée de la puissance de l'alim d'origine :think:

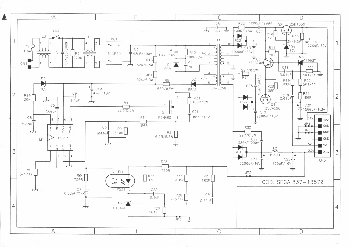
Il serait intéressant de voir les différences entre le schéma de l'alim en 220 V et la tienne, tu pourrais peut-être transformer ton alim japonaise en européenne, déjà il faut changer le condo de filtrage, mettre un modèle 400 V et je vois bien une modif de JP1 et/ou R13, R5, R3...
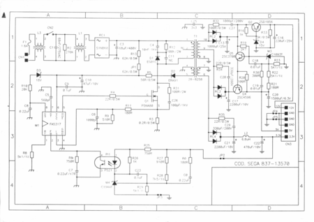
Alimentation européenne DREAMCAST
Alimentation européenne DREAMCAST
Tektronix 454A, Atten ADS 1102CAL Powa !!
Born to bricole
[Rch] Vieux composants électroniques et circuits intégrés toute époque et vieilles cartes à microprocesseur
Ma petite collection...
Tutoriel pour insérer des photos...
Avatar du membre
Nodoka75

Re: [Qst] - Réparation d'une alim Dreamcast japonaise

Message non lu par Nodoka75 »

Super, le schéma d'une alim européenne! :clap: Elles semblent très proches toutes les deux...

Voici le résultat de mes tests sur le S1NB60 (en variante 85 sur mon alim japonaise) selon la méthode que tu as préconisée dans le topic de bases de la réparation, avec la même orientation que sur la photo, avec le brochage que j'ai numéroté ainsi :
3 2 Fiche secteur de ce côté
4 1

+ du multimètre au 1 : infini en 2 et 4, 0,6 en 3. - du multimètre au 1 : infini en 2 et 3, 0,6 en 4.
+ du multimètre au 2 : infini en 1 et 4, 0,6 en 3. - du multimètre au 2 : infini en 1 et 3, 0,6 en 4.
+ du multimètre au 3 : infini partout. - du multimètre au 3 : 0,6 en 1 et 2, 0,5 en 3.
+ du multimètre au 4 : 0,6 en 1 et 2, 0,5 en 3. - du multimètre au 4 : infini partout.

Je pense avoir testé chaque possibilité. Verdict, docteur?
Avatar du membre
Krapoutchik
Contrôle WDA
Contrôle WDA
Messages : 1099
Enregistré le : 01 juil. 2009, 08:00
Collectionneur (-euse) ? : Oui
Localisation : Paris

Re: [Qst] - Réparation d'une alim Dreamcast japonaise

Message non lu par Krapoutchik »

Hum.... tu as des valeurs aberrantes certainement causées par des composants externes. Recommence les mesures en te fiant au schéma ci-dessous, il sera peut-être nécessaire de dessouder le pont de diode, les pattes + et - devraient suffire.
Pont de diode S1NB60
Pont de diode S1NB60
pontdiode.jpg (7.73 Kio) Vu 61533 fois
La patte 1 est le +
La patte 4 est le -
Les pattes 2 et 3 sont les entrées pour la tension alternative, le secteur quoi :mrgreen:

Normalement tu dois avoir :
+ du multimètre sur patte 1 - sur 2 =infini - sur 3 = infini
- du multimètre sur patte 1 + sur 2 = 0,6 + sur 3 = 0,6

- du multimètre sur patte 4 + sur 2 = infini + sur 3 = infini
+ du multimètre sur patte 4 - sur 2 = 0,6 - sur 3 = 0,6

Si jamais tu as infini au lieu de 0,6 = pont de diode HS ::cry:

Si il est HS tu peux le remplacer par 4 diodes 1N4004 montées un peu à l'arrache mais en respectant le plan du pont de diode.
Tektronix 454A, Atten ADS 1102CAL Powa !!
Born to bricole
[Rch] Vieux composants électroniques et circuits intégrés toute époque et vieilles cartes à microprocesseur
Ma petite collection...
Tutoriel pour insérer des photos...
Avatar du membre
Nodoka75

Re: [Qst] - Réparation d'une alim Dreamcast japonaise

Message non lu par Nodoka75 »

Le brochage que j'avais arbitrairement choisi (en fonction du sens de lecture du marquage sur le composant) n'est pas le bon : dans ma description, les broches 1 et 2 sont celles reliées au secteur... Je referai les mesures avec le bon brochage.
Avatar du membre
Krapoutchik
Contrôle WDA
Contrôle WDA
Messages : 1099
Enregistré le : 01 juil. 2009, 08:00
Collectionneur (-euse) ? : Oui
Localisation : Paris

Re: [Qst] - Réparation d'une alim Dreamcast japonaise

Message non lu par Krapoutchik »

Oui j'avais bien compris ::wink:.
Avec le schéma du pont de diode ça devrait te faciliter la compréhension et voir le pont de diode comme un ensemble de 4 diodes plutôt que comme une boite noire.
Tektronix 454A, Atten ADS 1102CAL Powa !!
Born to bricole
[Rch] Vieux composants électroniques et circuits intégrés toute époque et vieilles cartes à microprocesseur
Ma petite collection...
Tutoriel pour insérer des photos...
Avatar du membre
Nodoka75

Re: [Qst] - Réparation d'une alim Dreamcast japonaise

Message non lu par Nodoka75 »

Voici le résultat de mes mesures sur le pont (retiré du PCB), avec le bon brochage :

+ du multimètre au 1 : infini partout. - du multimètre au 1 : 0,6 en 2 et 3, 1458 en 4.
+ du multimètre au 2 : 0,6 en 1, infini en 3 et 4. - du multimètre au 2 : infini en 1 et 3, 0,6 en 4.
+ du multimètre au 3 : 0,6 en 1, infini en 2 et 4. - du multimètre au 3 : infini en 1 et 2, 0,6 en 4.
+ du multimètre au 4 : 1,44 en 1, 0,6 en 2 et 3. - du multimètre au 4 : infini partout.

Si j'ai bien suivi tes remarques précédentes, le pont semble OK. Confirmes-tu?
Avatar du membre
Krapoutchik
Contrôle WDA
Contrôle WDA
Messages : 1099
Enregistré le : 01 juil. 2009, 08:00
Collectionneur (-euse) ? : Oui
Localisation : Paris

Re: [Qst] - Réparation d'une alim Dreamcast japonaise

Message non lu par Krapoutchik »

Et zououououou ! un composant OK :mrgreen:

Petite précision, quand tu mesures environ 1,44 ou 1,48, si tu regardes attentivement le schéma, tu mesures en fait 2 diodes montées l'une derrière l'autre et dans le même sens, donc tu ajoutes la tension de seuil de chacune des diodes. La tension de seuil est la tension à partir de laquelle la diode se met à conduire.
Tektronix 454A, Atten ADS 1102CAL Powa !!
Born to bricole
[Rch] Vieux composants électroniques et circuits intégrés toute époque et vieilles cartes à microprocesseur
Ma petite collection...
Tutoriel pour insérer des photos...
Avatar du membre
Nodoka75

Re: [Qst] - Réparation d'une alim Dreamcast japonaise

Message non lu par Nodoka75 »

Ayant le condensateur approprié depuis décembre, je n'ai pas résisté à la tentation de le souder avant d'avoir vérifié toutes les diodes. :blindfold:

Roulements de tambour... :pray: :pray: :pray: Et mon alimentation revit! :mrgreen: Par contre deux des 3 tensions fournies, quand je les mesure à vide, ne sont pas fixes, contrairement à toutes les autres alims Dreamcast rencontrées jusque là. Pour autant, elle a fait fonctionner pendant une heure une console sans aucun souci.

Même cause, même médicament et même succès avec une autre alim de Dreamcast, d'un modèle et de fabricant différents. Celle-là fournit des tensions fixes, et a fait tourner sa console pendant 5 heures d'affilée sans souci, validant du même coup (à mon sens) mon convertisseur step-down.
Avatar du membre
Krapoutchik
Contrôle WDA
Contrôle WDA
Messages : 1099
Enregistré le : 01 juil. 2009, 08:00
Collectionneur (-euse) ? : Oui
Localisation : Paris

Re: [Résolu] [Qst]- Réparation d'une alim Dreamcast japonais

Message non lu par Krapoutchik »

Bravo !

Concernant tes tensions instables à vides, tout dépend de la manière dont l'alimentation est construite, le véritable test ne peut se faire qu'en lui faisant débiter un minimum de courant.
Les vieilles alimentation à découpage pouvait avoir besoin de débiter au moins 0,5 ou 1 ampère pour qu'elles fonctionnent correctement. J'ai eu le cas sur une alim THOMSON PADR 04E provenant d'un Wellect qui devait débiter 1 ampère pour fonctionner correctement.

Personnellement, j'ai toujours sous la main quelques résistances de puissance de 5 watts de 4 à 20 ohms pour charger un minimum l'alimentation en test.
Tektronix 454A, Atten ADS 1102CAL Powa !!
Born to bricole
[Rch] Vieux composants électroniques et circuits intégrés toute époque et vieilles cartes à microprocesseur
Ma petite collection...
Tutoriel pour insérer des photos...

Qui est en ligne

Utilisateurs parcourant ce forum : ClaudeBot [Bot] et 2 invités