[RESTAURATION] - Borne SEGA F355 Challenge Deluxe

L'âge d'or du jeu vidéo : Des ordis aux arcades mythiques & premières consoles et jeux.

Modérateur : Membres WDA

Règles du forum
N'oubliez pas; Présentez-vous ...
(Règlement interne du forum WDA)
Avatar du membre
Casio
Bureau WDA
Bureau WDA
Messages : 3548
Enregistré le : 23 mars 2004, 10:55
Collectionneur (-euse) ? : Oui
Localisation : Paris XVI / Jouques

[RESTAURATION] - Borne SEGA F355 Challenge Deluxe

Message non lu par Casio »

Salutations,

Hier, Mercredi 01 Juillet 2015, l'expertise WDA a été de nouveau sollicitée, en la présence de votre serviteur et de celle de Nodoka75, pour un audit préalable au remontage d'une borne d'arcade SEGA F355 Challenge Deluxe (SK-V NAOMI) neuve, entreposée depuis 1999 dans un entrepôt au nord de la capitale.

En effet, cette borne a été offerte en 1999 par SEGA Japan au PDG d'une société de conception, fabrication et vente de produits de luxe Français (Hermès).
L'actuel directeur artistique de cette compagnie souhaite la faire remettre en état afin de la mettre à disposition des employés dans un espace de repos.

Voici ce que nous dit Wikipédia sur le sujet :
Wikipédia a écrit :(...)
Sorti en juillet 1999, le F355 Challenge est un vrai choc dans les salles d'arcade. Disponible en version "Deluxe" sur une borne à 3 écrans, le jeu est une véritable démonstration de force pour le système SK-V NAOMI de SEGA (c'est en fait 4 cartes NAOMI qui travaillent de concert). Le jeu propose de piloter une Ferrari F355 Challenge dans un environnement aussi réaliste que possible, la borne incluant une embrayage et une commande de boite à 6 rapports en "H".

Six circuits sont proposés sur cette version : Twinring Motegi, Suzuka Short, Sugo, Monza, Suzuka Long et Long Beach.

Une imprimante optionnelle permettait au joueur d'imprimer des datas ainsi que le tracé de son meilleur tour (souvent au coût d'un crédit). Au Japon, un lecteur de Visual Memory Unit (les cartes mémoires de la Dreamcast) permettait de sauvegarder son meilleur tour afin de l'envoyer aux serveur de classements en ligne de SEGA.

Le F355 Challenge existe aussi en version "Twin", avec un écran par joueur. Le mode manuel disparait alors et on ne peut sélectionner que les modes novice et semi-auto.
(...)
Nous avions donc tous deux rendez-vous à 14h00 ce Mercredi, avec l'attachée de conservation des collections de ce groupe, dans un entrepôt de stockage pour voir la bête et tâter le terrain.

L'entrepôt, assez sombre, mal éclairé par quelques néons vieillissants et très haut de plafond ne nous a pas facilité la tâche.

Néanmoins, nous avons eu la chance de nous retrouver rapidement nez à nez avec la bestiole, entreposée sur 2 palettes de transport individuelles, et à peine dessanglée.

L'ensemble non protégé ni bâché était raisonnablement poussiéreux.
(A nouveau, je suis bien désolé du manque de lumière sur les clichés, mais d'autres viendront bientôt...)
Module principal de la borne.
Module principal de la borne.
Partie cockpit de la borne.
Partie cockpit de la borne.
Nodoka75 est aux anges...
Nodoka75 est aux anges...
L'arrière du module principal.
L'arrière du module principal.
Face avant du cockpit.
Face avant du cockpit.
Vue de 3/4 du cockpit.
Vue de 3/4 du cockpit.
L'arrière du cockpit.
L'arrière du cockpit.
Bien que d'extérieur bien poussiéreuse, l'intérieur est incroyablement neuf et sans aucune marque d'usure.
La borne n'a certainement pas été allumée plus d'une heure de toute sa vie.
Les panneaux arrière et trappes d'accès sont dans un état neuf, et sans aucune marque d'usure. Même les vis sont brillantes et non rayées, et aucune trace de rouille sur l'ensemble n'est décelée.
L'ensemble des clefs, accessoires et manuels sont proprement rangés dans un carton d'origine avec l'ensemble des manuels techniques et modes d'emplois, certains éléments toujours sous cellophane.
Seul manque le monnayeur interne et le marquee cockpit (visiblement cassé lors du transport).
Tubes 29'' (Toshiba A68LBT696X) droite et central, vus par la trappe arrière droite.
Tubes 29'' (Toshiba A68LBT696X) droite et central, vus par la trappe arrière droite.
Tube 29" (Toshiba A68LBT696X) gauche vu par la trappe arrière droite.
Tube 29" (Toshiba A68LBT696X) gauche vu par la trappe arrière droite.
Panneau de tests et Demag situé derrière le monnayeur.
Panneau de tests et Demag situé derrière le monnayeur.
Notre cliente vient ce jour d'apprendre qu'il s'agissait ici de "la première console SEGA de ce type qui ait été construite" !
Quel honneur pour nous de pouvoir contempler cela, surtout dans un tel état de conservation.
Les numéros de séries des différents sous-ensembles principaux.
Les numéros de séries des différents sous-ensembles principaux.
Comme le temps venait à nous manquer, nous devions savoir ce que nous pouvions en faire ce jour-même.
N'ayant pas trouvé de transpalette adéquat à cette manutention (et pourtant, il y avait du choix...), nous n'avons pu connecter les deux éléments ensembles (ni même les rapprocher).
Cela se fera dans un second temps, lorsque la borne sera rapatriée directement au siège social Parisien de la société pour que nous finalisions son montage.
Mais avant de se lancer dans un rapatriement, le client voulait savoir si cela était justifié, ce qui, d'un point de vue purement logistique, est plus que logique.

Après un rapide constat sur l'état irréprochable de l'ensemble électronique (condensateurs, fusibles, faisceaux, etc...), nous avons débranchés, nettoyés et désoxydés tous les contacteurs que nous avons pu trouver sur le module principal, puis très délicatement rétabli le secteur 220v. Et là... C'est beau...
Après un léger temps de chauffe (de l'ordre de quelques secondes), les trois moniteurs 29" s'allument enfin...
Après un léger temps de chauffe (de l'ordre de quelques secondes), les trois moniteurs 29" s'allument enfin...
16 Ans plus tard, les 3 moniteurs 29" Toshiba A68LBT696X ont exactement la même luminescence, le même contraste et la même netteté. :clap:
Nous avons laissé l'ensemble chauffer un bon quart d'heure, et le mode démo tourne à merveille.

Déjà 16h30, et d'autres horizons urgents à découvrir.
Il est plus que temps de pointer les différents outils et éléments afin de rassembler l'ensemble en vue du futur rapatriement du monstre sur Paris.
Nous ne manquerons pas de vous tenir informés de l'évolution du dossier... ;-)
On rassemble les jouets pour un prochain set...
On rassemble les jouets pour un prochain set...
Modifié en dernier par Casio le 22 nov. 2022, 23:29, modifié 2 fois.
Raison : Modif. par Casio : MaJ.
Avatar du membre
Krapoutchik
Contrôle WDA
Contrôle WDA
Messages : 1099
Enregistré le : 01 juil. 2009, 08:00
Collectionneur (-euse) ? : Oui
Localisation : Paris

Re: [RESTAURATION] - Borne SEGA F355 Challenge Deluxe

Message non lu par Krapoutchik »

OUAAHHHHHHH :respect:

Moi je dis trop fort les mecs , j'en reste baba :clap: :clap: :clap: :clap: :clap: :clap:
Tektronix 454A, Atten ADS 1102CAL Powa !!
Born to bricole
[Rch] Vieux composants électroniques et circuits intégrés toute époque et vieilles cartes à microprocesseur
Ma petite collection...
Tutoriel pour insérer des photos...
Avatar du membre
AmigaNoise
Posteur assidu
Posteur assidu
Messages : 143
Enregistré le : 27 nov. 2007, 15:35
Collectionneur (-euse) ? : Oui
Localisation : Paris

Re: [RESTAURATION] - Borne SEGA F355 Challenge Deluxe

Message non lu par AmigaNoise »

elle est juste magnifique, j'ai joué justement sur ce type de bornes à trois écrans à l'époque (j'ai pas rejoué sur borne depuis l'arrivée de l'Euro, faut pas d******r non plus :wall: ) et c'était vraiment puissant, et après est arrivé Gran Turismo ::roll:

ça donne envie !
Voyez ma présentation !
[RCH-DON] Urgent : Un PC portable afin de pouvoir quitter le bureau et apprendre à coder de mon lit (car la chaise, c'est fatiguant, et que je n'ai pas les moyens de m'en payer un actuellement :mrgreen: ) / Tout type d'Amiga
Avatar du membre
Krapoutchik
Contrôle WDA
Contrôle WDA
Messages : 1099
Enregistré le : 01 juil. 2009, 08:00
Collectionneur (-euse) ? : Oui
Localisation : Paris

Re: [RESTAURATION] - Borne SEGA F355 Challenge Deluxe

Message non lu par Krapoutchik »

La suite et fin très très bientôt :mrgreen:
morceau1borneséparé.jpg
Tektronix 454A, Atten ADS 1102CAL Powa !!
Born to bricole
[Rch] Vieux composants électroniques et circuits intégrés toute époque et vieilles cartes à microprocesseur
Ma petite collection...
Tutoriel pour insérer des photos...
Avatar du membre
Krapoutchik
Contrôle WDA
Contrôle WDA
Messages : 1099
Enregistré le : 01 juil. 2009, 08:00
Collectionneur (-euse) ? : Oui
Localisation : Paris

Re: [RESTAURATION] - Borne SEGA F355 Challenge Deluxe

Message non lu par Krapoutchik »

Ayé !
Le suspens est terminé :8: .

Casio et moi sommes partis remonter la borne le 17 octobre, en quelques heures tout était fini :clap: .

Celle-ci a été officiellement inauguré aujourd'hui, lundi 26, dans sa nouvelle implantation à quelques mètres de la rue du faubourg saint Honoré à Paris (à coté de la place de la Concorde pour les non-parisiens ::wink: ).
C'est la raison pour laquelle on ne pouvait pas communiquer, il fallait que ce soit une surprise pour les employés de cette prestigieuse maison française du luxe plus que centenaire :boohoo: .

Par rapport au mois de juillet il y a eu un gros nettoyage pour enlever l'épaisse couche de poussière qui recouvrait l'ensemble.
A part quelques minuscules petites pétouilles causées par une quinzaine d'années de stockage sans protection particulière dans un entrepôt la borne est dans un état neuf :D .
L'ensemble fait près de 600 Kg, heureusement de grosses roulettes permettent de bouger très facilement les 2 parties. C'est particulièrement appréciable pour positionner précisément et visser les 2 parties ensembles.
Le raccordement électrique des 2 parties s'effectue au moyen de 6 connecteurs, on les devine en bas sous le moniteur de droite. Ils se connectent sur un panneau au niveau de la boite de vitesse (bien visible dans le premier post).
11borneséparé.jpg
Des alimentations à tous les étages !
En bas à gauche, une alimentation à découpage, au milieu une alimentation à transfo pour la partie ampli (caisson de basse sous le siège et enceintes stéréo au niveau de la tête en haut du siège). En haut, on ne le voit pas ou très mal, 2 alimentations à découpage situées l'une à coté de l'autre.
A l'arrière de la borne pas loin de la prise d'alimentation on trouve également un énorme transformateur.
Eh oui la borne consomme environ 600 W :eeeek: , il en faut de l'énergie pour alimenter les 3 moniteurs, les 4 cartes NAOMI et les différentes cartes de gestion et autres loupiottes.
D'ailleurs, l'interrupteur Marche/Arrêt n'allume pas directement la borne mais commande un gros relais qui se charge d'alimenter tout ce beau monde.
22ampli.jpg
Casio et moi avons eu du mal mais on a quand même réussi à trouver 3 grains de poussières sur une des cartes vidéos ::lol: .
En zoomant on a vraiment l'impression que c'est neuf, impressionnant non !
33cartevideo.jpg
Un petit peu de mécanique, réglages et blocages des vérins pour soulever et immobiliser la borne . Juste au dessus de ma tête on aperçoit l'imprimante qui permet d'imprimer les statistiques de la course (vitesse, freinage, accident...) ainsi que le trajet du circuit.
44assemblage.jpg
Une vue de l'intérieur du cockpit, volant avec les palettes en jaune pour monter et descendre les vitesses, pédalier en alu (accélérateur, frein, embrayage, vraie boite de vitesse et les boutons permettant de sélectionner les différents modes de courses ( antipatinage, ABS, boite automatique...), chacun des modes peut être activé ou désactivé mais en tout manuel la conduite devient vraiment compliquée, accélération et hop... tête à queue, freinage et hop... tête à queue, virage trop rapide et hop... gravier ou mur suivant l'humeur :bullwhip: .
55cokpit.jpg
Ici l'entrainement de la future championne du monde de F355. Sans elle rien n'aurait été possible et la borne moisirait pour l'éternité dans un entrepot de Pantin, merci encore :clap: :clap: .
Juste au dessus du moniteur de gauche on devine une plaque vissée, derrière se trouvent les réglages de géométrie, chacun des trois moniteurs possède son propre réglage de géométrie accessible de l'extérieur.
66test.jpg
Et voilà c'est fini, super journée qui a passé à la vitesse d'une Ferrari :mrgreen: .
77bornemontée1.jpg
Cerise sur le gateau, la borne était accompagnée de toutes les docs (manuel utilisateur, maintenance, service, imprimante...) la TOTALE :8: ... direction scanner de compétition et scan au format PDF puis repos mérité sur le serveur de l'asso ::wink: .

Ici la chaine Youtube de l'asso où vous trouverez quelques films de nos aventures :angel:
Tektronix 454A, Atten ADS 1102CAL Powa !!
Born to bricole
[Rch] Vieux composants électroniques et circuits intégrés toute époque et vieilles cartes à microprocesseur
Ma petite collection...
Tutoriel pour insérer des photos...
Avatar du membre
Krapoutchik
Contrôle WDA
Contrôle WDA
Messages : 1099
Enregistré le : 01 juil. 2009, 08:00
Collectionneur (-euse) ? : Oui
Localisation : Paris

Re: [RESTAURATION] - Borne SEGA F355 Challenge Deluxe

Message non lu par Krapoutchik »

Quelques photos supplémentaires :8: !

Il manque le "toit", en fait une plaque de métal reliant la partie visu à la partie siège et le marquee, malheureusement cassé, qui est normalement installé au niveau des 2 plots ronds au dessus du siège.
side view.jpg
On a vraiment envie de s'y prélasser !
siege.jpg
Ca c'est de la boite de vitesse :respect: .
boite de vitesse.jpg
Pédalier de compétition, c'est du costaud... :bullwhip: .
pédalier.jpg
Connecteurs femelles reliant la partie siège à la partie visu, au fond, on distingue la boite de vitesse.
connecteursiege.jpg
Connecteurs mâles reliant la partie visu à la partie siège. Le gros fils vert et jaune sert à relier la terre à la partie siège.
connecteurcpu.jpg
Ici se cachent les cartes NAOMI. On voit distinctement les 3 câbles vidéos et les connecteurs d'alimentations.
back panel.jpg
Tiens, un câble USB :think: , des prises cinch pour le son, un gros câble connecté à tous les actionneurs, des connecteurs d'alimentations et le câble vidéo du moniteur central.
detail back panel.jpg
Quelques écrans de test, en réalité il y en a beaucoup plus !
test1.jpg
test2.jpg
L'imprimante thermique.
printer.jpg
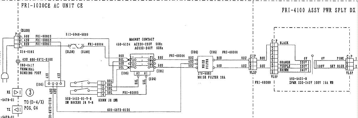
Le transformateur principal.
Sur la gauche, le relais qui alimente le transformateur, il est commandé par l'interrupteur Marche/Arrêt principal.
transfo.jpg
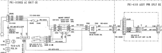
Pourquoi un transformateur 230 V vers 100 V 15A (partie droite du schéma) ?
Il ne faut pas oublier qu'au Japon, pays d'origine de la borne, la tension secteur est de 100 V. L'avantage est aussi d'isoler complétement le secteur de toutes les parties de la borne, ainsi, en cas de défaut de terre, même si une des phases du secondaire du transfo venait à toucher une partie métallique on ne risquerait rien :clap: .
schematic.jpg
Une des nombreuses alimentations alimentant les diverses parties de la borne.
Le ménage n'est pas passé par ici on remarque de la poussière causée par 15 ans de stockage :mrgreen: .
C'est le seul endroit poussiéreux de la borne à cause d'une grande ouverture sur la gauche (non visible sur la photo) qui permet le passage de câbles de la partie avant à la partie arrière de la borne.
alim.jpg
Modifié en dernier par Krapoutchik le 20 nov. 2015, 20:57, modifié 1 fois.
Raison : Quelques précisions supplémentaires <(^_^)>
Tektronix 454A, Atten ADS 1102CAL Powa !!
Born to bricole
[Rch] Vieux composants électroniques et circuits intégrés toute époque et vieilles cartes à microprocesseur
Ma petite collection...
Tutoriel pour insérer des photos...
Avatar du membre
Casio
Bureau WDA
Bureau WDA
Messages : 3548
Enregistré le : 23 mars 2004, 10:55
Collectionneur (-euse) ? : Oui
Localisation : Paris XVI / Jouques

Re: [RESTAURATION] - Borne SEGA F355 Challenge Deluxe

Message non lu par Casio »

Modifié en dernier par Casio le 22 févr. 2016, 17:56, modifié 2 fois.
Raison : Modif. par Casio : MaJ.

Qui est en ligne

Utilisateurs parcourant ce forum : ClaudeBot [Bot] et 4 invités